项目介绍
[胀套-Z14]
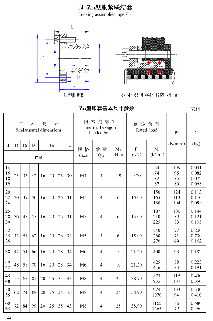
胀套,胀紧套,涨套,涨紧套,Z14型胀套
Z14型胀套
胀套
咨询热线
024-25175035
点击我,在线咨询
传动产品