项目介绍
[胀套-Z15]
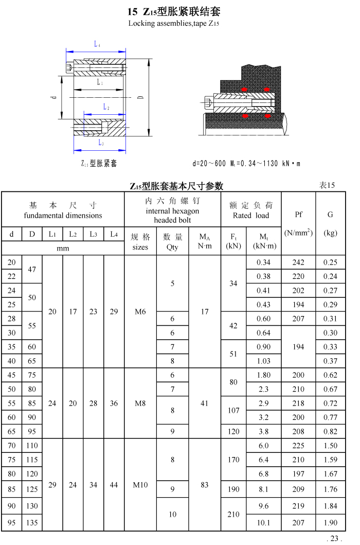
胀套,胀紧套,涨套,涨紧套,Z15型胀套
Z15型胀套
胀套
咨询热线
024-25175035
点击我,在线咨询
传动产品