项目介绍
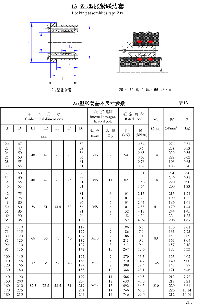
[胀套-Z13]
胀套,胀紧套,涨套,涨紧套,Z13型胀套
Z13型胀套
胀套
咨询热线
024-25175035
点击我,在线咨询
传动产品