项目介绍
[轮胎联轴器-夹紧型(LA)]
轮胎联轴器,弹性联轴器,橡胶,胎体,弹性联轴器,弹性体轮胎联轴器
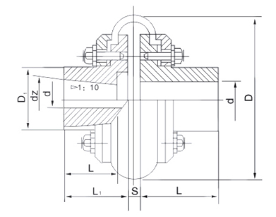
|本联轴器是一种高弹性联轴器,具有良好的减震缓冲和优越的轴间偏移补偿功能,工作温度-20~+80℃,传递转矩10~20000N·m,
适于潮湿、多尘、有冲击、振动、正反转多变和起动频繁的工况条件,并且拆装方便,不需润滑,耐久可靠。
|根据特殊需要制成非标准联轴器,在超负荷工作时半联轴器的卡瓣起作用,不会发生恶性事故。
|偏差补偿量:轴向偏差:Dx2% 径向偏差:Dx1% 角向:3~6°
|
型号 |
D |
D1 |
S |
螺钉数目 |
轴孔直径 |
轴孔长度 |
许用转矩 |
许用转速 |
转动惯量 |
重量 |
|
|
mm |
MdxL |
d、dz |
L |
L1 |
Tn |
[n] |
kg·m2 |
kg |
|||
|
Y、J1 |
Z1 |
N·m |
r/min |
||||||||
|
LA1 |
60 |
20 |
4 |
12-M4x10 |
6-11 |
16-25 |
— |
10 |
5000 |
0.0004 |
0.35 |
|
LA2 |
100 |
36 |
8 |
12-M6x20 |
8-19 |
14-42 |
35 |
20 |
5000 |
0.005 |
1.33 |
|
LA3 |
135 |
48 |
12 |
12-M8x25 |
18-28 |
30-62 |
35-50 |
80 |
4000 |
0.022 |
3.4 |
|
LA4 |
180 |
64 |
18 |
12-M10x30 |
25-38 |
44-82 |
50-65 |
160 |
3150 |
0.071 |
7.4 |
|
LA5 |
210 |
80 |
18 |
16-M10x40 |
32-50 |
60-112 |
65-90 |
315 |
2800 |
0.154 |
13.4 |
|
LA6 |
265 |
100 |
24 |
16-M12x40 |
40-56 |
84-112 |
90 |
630 |
2500 |
0.46 |
22.6 |
|
LA7 |
310 |
120 |
28 |
16-M16x50 |
48-75 |
84-142 |
90-120 |
1250 |
2000 |
1.86 |
34.8 |
|
LA8 |
400 |
150 |
38 |
16-M20x60 |
60-95 |
107-172 |
120-145 |
2500 |
1600 |
3.57 |
74.3 |
|
LA9 |
450 |
190 |
42 |
20-M20x70 |
80-125 |
132-212 |
145-180 |
5000 |
1250 |
6.47 |
111 |
|
LA10 |
550 |
230 |
52 |
24-M24x80 |
100-150 |
167-252 |
180-220 |
10000 |
1000 |
17.55 |
191 |
|
LA11 |
700 |
280 |
70 |
32-M30x90 |
130-180 |
202-302 |
220-270 |
20000 |
800 |
54.1 |
373 |


