项目介绍
[轮胎联轴器-基本型(UL)]
轮胎联轴器,弹性联轴器,橡胶,胎体,弹性联轴器,弹性体轮胎联轴器
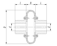
l 橡胶元件(轮胎体)与金属压板硫化粘结在一起,装配时用螺栓直接与两半联轴器联接。
l 柔性,阻尼大,补偿量大。
l 结构简单,装配容易,要更换轮胎体时无需轴向移动联轴节。
l 随扭转角的增加,在主从动轴上产生相当大的轴向力。
|
型号 |
公称扭矩 |
瞬时最大转矩 |
许用转速 rpm |
轴孔直径d |
轴孔长度L |
D |
B |
重量 |
转动惯量 |
许用补偿量 |
||||||
|
mm |
径向 |
轴向 |
角向 |
|||||||||||||
|
N·m |
N·m |
钢 |
铁 |
钢 |
铁 |
J、J1型 |
Y型 |
mm |
kg |
kg·m2 |
mm |
° |
||||
|
UL1 |
10 |
31.5 |
5000 |
3500 |
11 |
11 |
22 |
25 |
80 |
20 |
0.7 |
0.0003 |
1 |
1 |
1 |
|
|
12,14 |
12,14 |
27 |
32 |
|||||||||||||
|
16,18 |
16 |
30 |
42 |
|||||||||||||
|
UL2 |
25 |
80 |
5000 |
3000 |
14 |
14 |
27 |
32 |
100 |
26 |
1.2 |
0.0008 |
||||
|
16,18,19 |
16,18,19 |
30 |
42 |
|||||||||||||
|
20,22 |
20 |
38 |
52 |
|||||||||||||
|
UL3 |
63 |
180 |
4500 |
3000 |
18,19 |
18,19 |
30 |
42 |
120 |
32 |
1.8 |
0.0022 |
1.6 |
2 |
||
|
20,22,24 |
20,22 |
38 |
52 |
|||||||||||||
|
25 |
— |
44 |
62 |
|||||||||||||
|
UL4 |
100 |
315 |
4300 |
3000 |
20,22,24 |
20,22,24 |
38 |
52 |
140 |
38 |
3 |
0.004 |
||||
|
25,28 |
25 |
44 |
62 |
|||||||||||||
|
30 |
— |
60 |
82 |
|||||||||||||
|
UL5 |
160 |
500 |
4000 |
3000 |
24 |
24 |
38 |
52 |
160 |
45 |
4.6 |
0.0084 |
||||
|
25,28 |
25,28 |
44 |
62 |
|||||||||||||
|
30,32,35 |
30 |
60 |
82 |
|||||||||||||
|
UL6 |
250 |
710 |
3600 |
2500 |
28 |
28 |
44 |
62 |
180 |
50 |
7.1 |
0.0164 |
||||
|
30,32,35,38 |
30,32,35 |
60 |
82 |
|||||||||||||
|
40 |
— |
84 |
112 |
|||||||||||||
|
UL7 |
315 |
900 |
3200 |
2500 |
32,35,38 |
32,35,38 |
60 |
82 |
200 |
56 |
10.9 |
0.029 |
2 |
2.5 |
||
|
40,42,45,48 |
40,42 |
84 |
112 |
|||||||||||||
|
UL8 |
400 |
1250 |
3000 |
2000 |
38 |
38 |
60 |
82 |
220 |
63 |
13 |
0.0448 |
2.5 |
3 |
1.5 |
|
|
40,42,45,48,50 |
40,42,45 |
84 |
112 |
|||||||||||||
|
UL9 |
630 |
1800 |
2800 |
2000 |
42,45,48,50,55,56 |
42,45,48,50,55 |
84 |
112 |
250 |
71 |
20 |
0.0898 |
||||
|
60 |
— |
107 |
142 |
|||||||||||||
|
UL10 |
800 |
2240 |
2400 |
1600 |
45*,48*,50, 55,56 |
45,48,50, 55,56 |
84 |
112 |
280 |
80 |
30.6 |
0.1596 |
3 |
3.6 |
||
|
60,63,65,70 |
60,63,65 |
107 |
142 |
|||||||||||||
|
UL11 |
1000 |
2500 |
2100 |
1600 |
50*,55*,56* |
50,55,56 |
84 |
112 |
320 |
90 |
39 |
0.2792 |
||||
|
60,63,65,70, 71,75 |
60,63,65 |
107 |
142 |
|||||||||||||
|
UL12 |
1600 |
4000 |
2000 |
1600 |
55*,56* |
55,56 |
84 |
112 |
360 |
100 |
59 |
0.5356 |
3.6 |
4 |
||
|
60*,63*,65*, 70,71,75 |
60*,63*,65*,70,71,75 |
107 |
142 |
|||||||||||||
|
80,85 |
80 |
132 |
172 |
|||||||||||||
|
UL13 |
2500 |
6300 |
1800 |
1600 |
63*,65*,70*, 71*,75* |
63,65,70, 71,75 |
107 |
142 |
400 |
110 |
81 |
0.896 |
4 |
4.5 |
||
|
80,85,90,95 |
80*,85*,90,95 |
132 |
172 |
|||||||||||||
|
UL14 |
4000 |
10000 |
1600 |
1400 |
75* |
75 |
107 |
142 |
480 |
130 |
145 |
2.2616 |
5 |
|||
|
80*,85*, 90*,95* |
80,85,90,95 |
132 |
172 |
|||||||||||||
|
100,110 |
100,110 |
167 |
212 |
|||||||||||||
|
UL15 |
6300 |
14000 |
1200 |
1120 |
85*,90*,95* |
90*,95* |
132 |
172 |
560 |
150 |
222 |
4.6456 |
5 |
5.6 |
||
|
100*,110*, 120*,125* |
100*,110*, 120*,125* |
167 |
212 |
|||||||||||||
|
UL16 |
10000 |
20000 |
1000 |
1000 |
100*,110*, 120*,125* |
100*,110, 120*,125* |
167 |
212 |
630 |
180 |
302 |
8.0924 |
6 |
|||
|
130,140 |
130,140 |
202 |
252 |
|||||||||||||
|
UL17 |
16000 |
31500 |
900 |
850 |
120*,125* |
— |
167 |
212 |
750 |
210 |
561 |
20.0176 |
6.7 |
|||
|
130*,140*, 150* |
130*,140*, 150* |
202 |
252 |
|||||||||||||
|
160* |
160* |
242 |
302 |
|||||||||||||
|
UL18 |
25000 |
59000 |
800 |
750 |
140*,150* |
— |
202 |
252 |
900 |
250 |
818 |
43.053 |
8 |
|||
|
160*,170*, 180* |
160*,170*, 180* |
242 |
302 |
|||||||||||||


