项目介绍
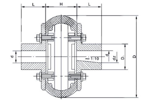
[轮胎联轴器-法兰形式(LB)]
轮胎联轴器,弹性联轴器,橡胶,胎体,弹性联轴器,弹性体轮胎联轴器

|本联轴器是一种高弹性联轴器,具有良好的减震缓冲和优越的轴间偏移补偿功能,工作温度-20~+80℃,传递转矩10~20000N·m,
适于潮湿、多尘、有冲击、振动、正反转多变和起动频繁的工况条件,并且拆装方便,不需润滑,耐久可靠。弹性元件是一整体的轮胎体。
|本联轴器的法兰,可采用Y、J1、Z1型轴孔。
|偏差补偿量:轴向:Dx2% 径向:Dx1% 角向:2.5~5°

型号
D
D1
H
螺钉数目
轴孔直径
轴孔长度
公称转矩
许用转速
转动惯量
重量
mm
MdxL
d、dz
L
Tn
[n]
kg·m2
kg
Y、J1、 Z1
N·m
r/min
LB1
60
20
26
12-M4x12
6-11
16-25
10
5000
0.0003
0.4
LB2
100
36
32/37
12-M6x18
10-19
25-42
50
5000
0.0035
1.5
LB3
120
44
39
12-M8x20
16-24
30-52
100
4500
0.01
2.2
LB4
140
50
45
12-M10x20
22-35
38-82
160
4200
0.021
3.1
LB5
160
60
51
12-M10x22
25-38
44-82
224
4000
0.031
5
LB6
185
70
58
12-M12x25
30-45
60-112
315
3600
0.07
8.1
LB7
220
85
68
12-M12x28
35-50
60-112
500
3200
0.15
13
LB8
265
110
82
12-M12x32
40-56
84-112
800
2600
0.3
22
LB9
310
120
106
12-M16x40
45-71
84-112
1250
2200
0.75
35
LB10
400
150
124
12-M20x50
60-85
107-172
2250
1800
2.2
69
LB11
445
190
140
12-M20x56
80-120
132-212
5000
1600
4.4
110
LB12
550
238
172
16-M24x71
100-150
167-252
10000
1200
14
190
LB13
700
318
220
24-M24x71
130-200
202-352
20000
1000
38
340


