项目介绍
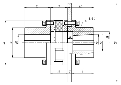
[梅花联轴器-制动盘型(LMP)]
制动盘型梅花联轴器,聚氨酯垫,制动盘,制动器配用,制动轮梅花联轴器
|
型号 |
公称 扭矩N·m |
制动力矩N·m |
许用转速 rpm |
轴孔直径 d1、d2 |
轴孔长度L1 L2 |
L0 mm |
S mm |
L3 mm |
D1 mm |
D2 mm |
B mm |
D3 mm |
R mm |
C mm |
D0xT mm |
|
Y、Z |
|||||||||||||||
|
LMP6 |
630 |
1800 |
3500 |
35,38 |
82 |
231 |
67 |
71 |
145 |
85 |
22 |
65 |
2 |
70 |
355x20 |
|
40,42 |
100 |
400x20 |
|||||||||||||
|
45,48,50,55 |
112 |
291 |
95 |
450x30 |
|||||||||||
|
LMP7 |
1120 |
2850 |
3250 |
45,48 |
112 |
291 |
67 |
71 |
170 |
110 |
28 |
80 |
2 |
95 |
400x30 |
|
50,55 |
450x30 |
||||||||||||||
|
60,63,65, |
142 |
351 |
125 |
500x30 |
|||||||||||
|
LMP8 |
1800 |
4950 |
3000 |
50,55 |
112 |
300 |
76 |
81 |
200 |
135 |
28 |
95 |
2.5 |
94 |
450x30 |
|
60,63 |
142 |
360 |
124 |
400x30 |
|||||||||||
|
65,70 |
500x30 |
||||||||||||||
|
74,75 |
560x30 |
||||||||||||||
|
LMP10 |
2800 |
7740 |
2800 |
60,63 |
142 |
364 |
80 |
86 |
230 |
160 |
35 |
116 |
2.5 |
124 |
500x30 |
|
65,70,71,75 |
560x30 |
||||||||||||||
|
80,85,90,95 |
172 |
424 |
154 |
630x30 |
|||||||||||
|
LMP11 |
4500 |
11940 |
2600 |
70,71,75 |
142 |
379 |
95 |
101 |
262 |
180 |
40 |
140 |
2.5 |
124 |
500x30 |
|
80,85 |
172 |
439 |
154 |
560x30 |
|||||||||||
|
90,95 |
630x30 |
||||||||||||||
|
100,110 |
212 |
519 |
194 |
710x30 |
|||||||||||
|
LMP12 |
7100 |
17550 |
2250 |
80,85 |
172 |
455 |
111 |
117 |
300 |
200 |
40 |
150 |
3 |
154 |
630x30 |
|
90,95 |
710x30 |
||||||||||||||
|
100,110,120 |
212 |
535 |
194 |
800x30 |
|||||||||||
|
LMP13 |
11200 |
29100 |
2000 |
90,95 |
172 |
469 |
124 |
130 |
360 |
225 |
45 |
210 |
3 |
154 |
710x30 |
|
100,110, 120,125 |
212 |
548 |
194 |
800x30 |
|||||||||||
|
130 |
252 |
628 |
234 |
900x30 |
|||||||||||
|
LMP14 |
12500 |
40050 |
1800 |
100,110, 120,125 |
212 |
548 |
124 |
130 |
400 |
240 |
50 |
235 |
3 |
194 |
900x30 |
|
130,140,150 |
252 |
628 |
234 |
1000x30 |


