项目介绍
[滑块联轴器-尼龙块(WH)]
尼龙块滑块联轴器,尼龙滑块,联轴器,挠性联轴器,电机用联轴器滑块联轴器
本联轴器适用于传递转矩较小的场合,具有一定补偿两轴相对偏移量、减震和缓冲性能。工作温度为-20~+70℃,传递转矩为16~5000N·m。
|
型号 |
公称转矩Tn N·m |
许用转速[n] r/min |
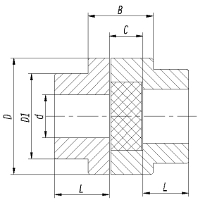
轴孔直径d |
轴孔长度L |
尺寸 |
重量 kg |
||||
|
Y型 |
J1型 |
D |
D1 |
B |
C |
|||||
|
WH1 |
16 |
10000 |
10-14 |
25-32 |
22-27 |
40 |
30 |
52 |
17 |
0.6 |
|
WH2 |
31.5 |
8200 |
12-18 |
32-42 |
27-30 |
50 |
32 |
56 |
22 |
1.5 |
|
WH3 |
63 |
7000 |
18-22 |
42-52 |
30-38 |
70 |
40 |
60 |
22 |
1.8 |
|
WH4 |
160 |
5700 |
20-28 |
52-62 |
38-44 |
80 |
50 |
64 |
22 |
2.5 |
|
WH5 |
280 |
4700 |
25-32 |
62-82 |
44-60 |
100 |
70 |
75 |
27 |
5.8 |
|
WH6 |
500 |
3800 |
30-45 |
82-112 |
60-84 |
120 |
80 |
90 |
37 |
9.5 |
|
WH7 |
900 |
3200 |
40-55 |
112 |
84 |
150 |
100 |
120 |
42 |
25 |
|
WH8 |
1800 |
2400 |
50-70 |
112-140 |
84-107 |
190 |
120 |
150 |
52 |
55 |
|
WH9 |
3550 |
1800 |
65-85 |
142-172 |
107-132 |
250 |
150 |
180 |
62 |
85 |
|
WH10 |
5000 |
1500 |
80-100 |
172-212 |
132-167 |
330 |
190 |
180 |
62 |
120 |


