项目介绍
[滑块联轴器-刚性块(SL)]
滑块联轴器,刚性滑块联轴器,刚性块,挠性联轴器,刚性联轴器滑块联轴器
本联轴器产品适用于联接两同轴线的传动轴系的联轴器,该产品具有较大的径向位移,传递公称转矩120~63000N·m,转速250~70r/min。
联轴器许用补偿量
|
型号 |
径向△y mm |
角向△a (°) |
轴向△x mm |
|
SL70 |
0.6 |
0.5 |
1.2 |
|
SL90 |
0.7 |
1.4 |
|
|
SL100 |
1.4 |
1.5 |
|
|
SL130 |
1.8 |
1.8 |
|
|
SL150 |
2.2 |
2 |
|
|
SL170 |
2.6 |
2.1 |
|
|
SL190 |
3 |
2.2 |
|
|
SL210 |
3.4 |
2.6 |
|
|
SL240 |
3.8 |
3 |
|
|
SL260 |
4 |
3.4 |
|
|
SL280 |
4.4 |
3.8 |
|
|
SL300 |
4.8 |
4.2 |
|
|
SL320 |
5.2 |
4.6 |
|
|
SL340 |
6 |
5 |
|
|
SL360 |
6.4 |
5.7 |
|
|
SL400 |
6.6 |
6.4 |
|
|
SL460 |
8 |
7.2 |
|
型号 |
公称转矩Tn N·m |
许用转速[n] r/min |
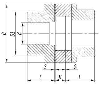
轴孔直径d |
D |
D1 |
L |
H |
S |
转动惯量 kg·m2 |
重量 kg |
|
SL70 |
120 |
250 |
15-18 |
70 |
32 |
42 |
14 |
0.5 |
0.002 |
1.5 |
|
SL90 |
250 |
250 |
20-30 |
90 |
45 |
52 |
14 |
0.008 |
2.6 |
|
|
SL100 |
500 |
250 |
36-40 |
110 |
60 |
70 |
19 |
0.026 |
5.5 |
|
|
SL130 |
800 |
250 |
45-50 |
130 |
80 |
90 |
19 |
0.07 |
10 |
|
|
SL150 |
1250 |
250 |
55-60 |
150 |
95 |
112 |
19 |
0.14 |
15.5 |
|
|
SL170 |
2000 |
250 |
65-70 |
170 |
105 |
125 |
24 |
0.25 |
22.4 |
|
|
SL190 |
3200 |
250 |
75-80 |
190 |
110 |
140 |
29 |
0.5 |
31.5 |
|
|
SL210 |
5000 |
250 |
85-90 |
210 |
130 |
160 |
33 |
1 |
0.9 |
45 |
|
SL240 |
8000 |
250 |
95-100 |
240 |
140 |
180 |
33 |
1.6 |
59.5 |
|
|
SL260 |
9000 |
250 |
100-110 |
260 |
160 |
190 |
33 |
2 |
76 |
|
|
SL280 |
10000 |
100 |
110-120 |
280 |
170 |
200 |
33 |
3 |
94.3 |
|
|
SL300 |
13000 |
100 |
120-130 |
300 |
180 |
210 |
43 |
4.3 |
111 |
|
|
SL320 |
16000 |
100 |
130-140 |
320 |
190 |
220 |
43 |
5.7 |
129 |
|
|
SL340 |
20000 |
100 |
150 |
340 |
210 |
250 |
48 |
8.4 |
162 |
|
|
SL360 |
32500 |
100 |
160 |
360 |
240 |
280 |
48 |
19.2 |
258 |
|
|
SL400 |
38700 |
80 |
170 |
400 |
260 |
300 |
48 |
26.1 |
3.5 |
|
|
SL460 |
63000 |
70 |
200 |
460 |
300 |
350 |
58 |
62.9 |
560 |


