高速膜片联轴器|高速联轴器选型及注意事项
更新时间:2019-03-26 10:10:46•点击:28254 • 企业动态
当今行业用联轴器最高转速可达到140000rpm,从外观感觉来看基本上看不出联轴器在动,速度越高对联轴器的要求就越高,要求包括材质,工艺,加工精度。
一、高速膜片联轴器结构主要包含以下几种:
1、超高速膜片联轴器
超高速膜片联轴器转速可从3000-70000rpm;联轴器材质可以使用钢,铝,钛等合金材料,具有良好的机械性能和良好的转动性能;
超高速联轴器结构参照下图:
超高速联轴器尺寸及详细说明参照:膜片联轴器-高速型(BH)和膜片联轴器-双膜片基本型(BL)点击可查看
2、高速膜片联轴器
高速膜片联轴器转速可从3000-30000rpm;联轴器材质可以使用钢,铝,钛等合金材料,具有良好的机械性能和良好的转动性能;
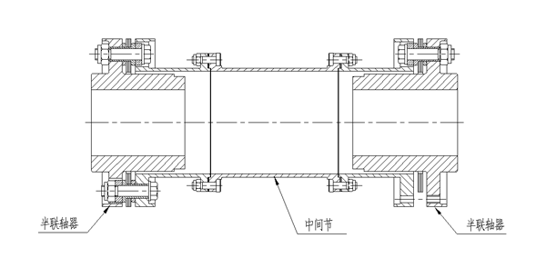
其中BR型拥有高速联轴器特殊的结构特性如下图,能够减小附加弯矩,重量轻,对机组的安全运行具有保驾护航的特性;
为了增加高速性能的稳定性,公司自主对联轴器微小细节进行调整,高速性能得到进一步提升;或得国家创新新型;
BR型高速联轴器安装较方便,将两侧半联轴器分别套在轴上,进行打表找正,三表找正之后,安装中间节;半联轴器部位为出厂安装完成部分不需要拆解;
BR型高速膜片联轴器具有分体和整体的动平衡特性;
二、高速膜盘联轴器:
1、超高速膜盘联轴器
超高速膜盘联轴器转速可从3000-140000rpm;联轴器材质可以使用钢,钛等合金材料,具有良好的机械性能和良好的转动性能;
超高速膜盘联轴器是我公司自主研发的高速膜盘联轴器,具有无螺栓连接,吸收性能好,高速运转,和动平衡特性;
用在特殊高速电机应用场合;
具体尺寸请参照超高速膜盘联轴器;
2、高速膜盘联轴器
高速膜盘联轴器转速可从3000-100000rpm;结构为双曲面结构,型面较薄,能够吸收径向,轴向,角向不对中。
三、高速鼓形齿联轴器
BGH高速鼓形齿联轴器是鼓形齿联轴器基础上优化产物,通过特殊的结构设计和改进的鼓形齿齿形设计,以及在加工精度及动平衡等级上的严格要求,
能够满足在传动领域上高转速工况下的动态特性要求。 鼓形齿联轴器在工作时,两周产生相对角位移,内外齿的齿面周期性作轴向相对滑动,必然形
成齿面磨损和功率损耗,因此,鼓形齿联轴器需在有良好润滑和密封的状态下工作。对于较高转速的工况,建议采用稀油润滑的方式强制润滑,有利于
热量的扩散,降低齿面温度,提供齿的使用寿命,推荐安装邦克机电公司数据表中的最低润滑油量提供润滑油。
鼓形齿联轴器是机械工业基础件之一,多用于重载,要求效率高以及两联轴器有较大调整误差和摆角的传动中,鼓形齿联轴器在生产实践中愈来愈被
人们所重视,它可以补偿两连接轴因轴线不重合而形成的角度,轴向和径向安装误差,允许两个轴有一定的位移。其转动方向可以为顺时钟,也可以
为逆时针,它可以水平方向传动,也可以在特殊结构下垂直传动,在一般机器制造业中具有较大的优点,特别是在下列条件下尤其显得优越:间歇运
动的机械;传动负荷较大的机械;两联接轴有较大的调整误差等等。基于上述特点,鼓形齿联轴器被广泛用于冶金、矿山、轧钢等行业,对于高速鼓
形齿联轴器,还可以应用于燃气轮机的轴系传动等。
|
型号 |
公称转矩 kNm |
转速 rpm |
轴径d mm |
DA mm |
D1 mm |
Lmin mm |
润滑油量 Q/min |
|
BGH4 |
4.5 |
6150 |
30~80 |
215 |
110 |
100 |
24 |
|
BGH5 |
7.1 |
5400 |
35~90 |
245 |
125 |
105 |
33 |
|
BGH6 |
10 |
4540 |
40~100 |
275 |
140 |
115 |
39 |
|
BGH7 |
14 |
3960 |
50~110 |
295 |
155 |
120 |
48 |
|
BGH8 |
20 |
3580 |
55~125 |
325 |
175 |
135 |
61 |
|
BGH9 |
25 |
3210 |
65~140 |
350 |
196 |
155 |
69 |
|
BGH10 |
40 |
2930 |
75~160 |
395 |
224 |
155 |
101 |
|
BGH11 |
56 |
2590 |
85~180 |
430 |
252 |
175 |
125 |
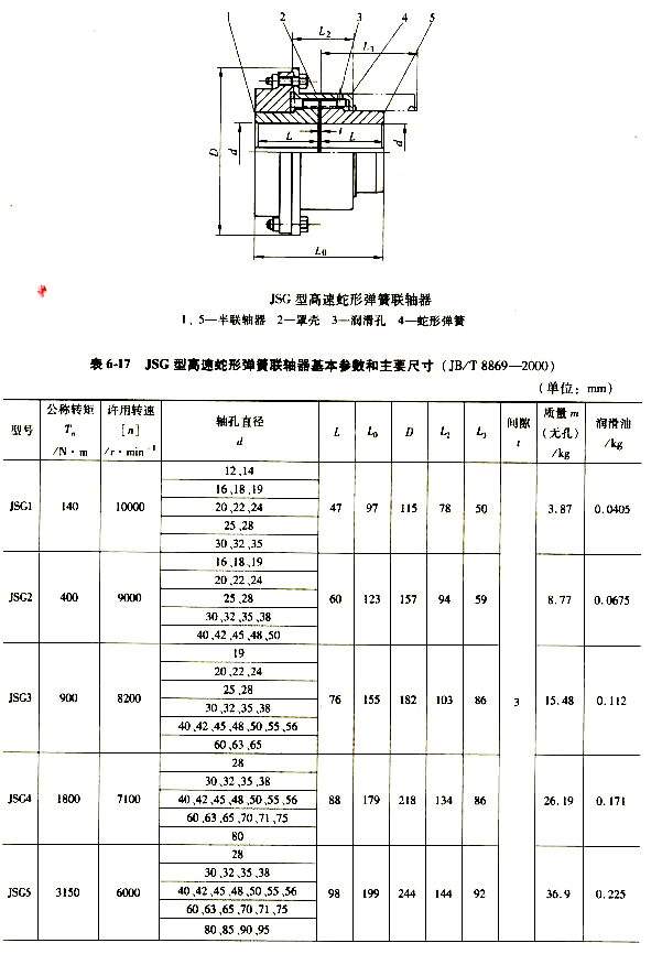
四、高速蛇形弹簧联轴器
BJSG型高速蛇簧联轴器
通上所述,高速联轴器主要有这些种类组成,应用场合较多,具体适用场合可跟邦克技术部取得联系;
推荐阅读
-
膜片联轴器膜片你真的了解吗?
2019-04-17 14:20:47•25795 次
-
高速膜片联轴器|高速联轴器选型及注意事项
2019-03-26 10:10:46•28254 次
-
冷却器的选型-原理安装
2019-03-15 12:11:44•30508 次
-
膜片联轴器DJM03/DJM02/DJM04在市场上的应用
2019-03-11 10:53:43•29726 次


