项目介绍
[钟型罩-液压附件(BPK)]
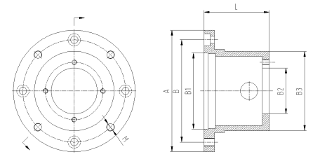
电机和泵连接支撑架,钟罩,液压站,液压站用液压附件
l 用于连接IEC标准电机和液压油泵;
l 两端连接法兰均经机加工;
l 电机轴和泵轴自对中;
l 可用于重负荷;
l 钟型罩材质为铝制,侧面可以开通气孔;
|
型号 |
A |
B |
B1 |
B2最小值 |
B3 |
L |
M |
KWn=1450 |
|
BPK140 |
140 |
115 |
95 |
47 |
97 |
110 |
M8 |
|
|
BPK150 |
150 |
130 |
110 |
38 |
115 |
110 |
M8 |
|
|
BPK160 |
160 |
130 |
110 |
20 |
72X91 |
70 |
M8 |
|
|
BPK190 |
190 |
166 |
146 |
40 |
129 |
144 |
M8 |
|
|
BPK200 |
200 |
165 |
130 |
30 |
129 |
100 |
M10 |
0.55-1.5KW |
|
40 |
127 |
140 |
||||||
|
40 |
127 |
145 |
||||||
|
BPK250 |
250 |
215 |
180 |
35 |
178 |
120 |
M12 |
2.2-4KW |
|
38 |
178 |
137 |
||||||
|
40 |
178 |
160 |
||||||
|
BPK300 |
300 |
265 |
230 |
38 |
185 |
144 |
M12 |
5.5-7.5KW |
|
38 |
185 |
155 |
||||||
|
38 |
180 |
165 |
||||||
|
38 |
170 |
195 |
||||||
|
BPK350 |
350 |
300 |
250 |
76 |
234 |
165 |
M16 |
11-22KW |
|
76 |
229 |
188 |
||||||
|
76 |
230 |
204 |
||||||
|
76 |
234 |
228 |
||||||
|
76 |
230 |
244 |
||||||
|
BPK400 |
400 |
350 |
300 |
97 |
288 |
204 |
M16 |
30KW |
|
97 |
286 |
228 |
||||||
|
97 |
284 |
256 |
||||||
|
BPK450 |
450 |
400 |
350 |
97 |
325 |
234 |
M16 |
37-45KW |
|
91 |
325 |
262 |
||||||
|
97 |
325 |
285 |
||||||
|
97 |
325 |
315 |
||||||
|
BPK550 |
550 |
500 |
450 |
110 |
320 |
248 |
M16 |
55-90KW |
|
110 |
310 |
265 |
||||||
|
110 |
305 |
275 |
||||||
|
110 |
295 |
295 |
||||||
|
110 |
280 |
315 |
||||||
|
BPK660 |
660 |
600 |
550 |
120 |
410 |
310 |
M20 |
110-200KW |
|
120 |
400 |
330 |
||||||
|
174 |
490 |
343 |
||||||
|
197 |
500 |
395 |
||||||
|
BPK800 |
800 |
740 |
680 |
148 |
500 |
370 |
M20 |
355-710KW |
|
148 |
487 |
395 |


