项目介绍
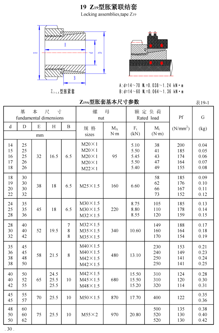
[胀套-Z19]
胀套,胀紧套,涨套,涨紧套,Z19型胀套
Z19型胀套
胀套
咨询热线
024-25175035
点击我,在线咨询
传动产品