项目介绍
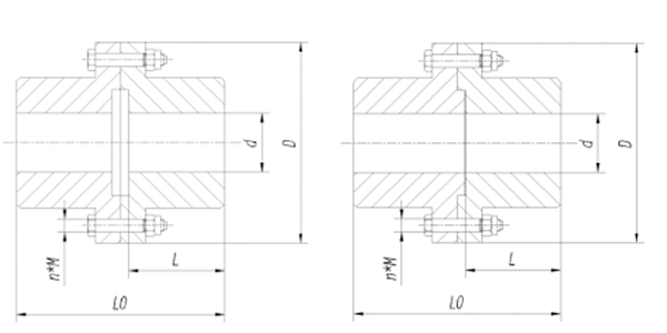
[刚性联轴器-基本型(YL,YLD)]
刚性联轴器,刚性法兰,法兰联轴器凸缘联轴器
|
型号 |
公称扭矩Tn |
许用转速 [n] |
轴孔直径d(H7) |
轴孔长度L |
D |
D1 |
螺栓 |
L0 |
质量 |
转动惯量 |
|||||
|
r/min |
mm |
数量n |
直径M |
||||||||||||
|
N·m |
铁 |
钢 |
铁 |
钢 |
Y型 |
J、J1型 |
mm |
Y型 |
J、J1型 |
kg |
kg·m2 |
||||
|
YL1 YLD1 |
10 |
8100 |
13000 |
10 |
10 |
25 |
22 |
71 |
53 |
3 (3) |
M6 |
54 |
48 |
0.94 |
0.0018 |
|
11 |
11 |
||||||||||||||
|
12 |
12 |
32 |
27 |
68 |
58 |
||||||||||
|
14 |
14 |
||||||||||||||
|
16 |
16 |
42 |
30 |
88 |
64 |
||||||||||
|
18 |
18 |
||||||||||||||
|
19 |
19 |
||||||||||||||
|
20 |
20 |
52 |
38 |
108 |
80 |
||||||||||
|
— |
22 |
||||||||||||||
|
YL2 YLD2 |
16 |
7200 |
12000 |
12 |
12 |
32 |
27 |
80 |
64 |
4 (4) |
M6 |
68 |
58 |
1.5 |
0.0035 |
|
14 |
14 |
||||||||||||||
|
16 |
16 |
42 |
30 |
88 |
64 |
||||||||||
|
18 |
18 |
||||||||||||||
|
19 |
19 |
||||||||||||||
|
20 |
20 |
52 |
38 |
108 |
80 |
||||||||||
|
— |
22 |
||||||||||||||
|
YL3 YLD3 |
25 |
6400 |
10000 |
14 |
14 |
32 |
27 |
90 |
69 |
3 (3) |
M8 |
68 |
58 |
1.99 |
0.006 |
|
16 |
16 |
42 |
30 |
88 |
64 |
||||||||||
|
18 |
18 |
||||||||||||||
|
19 |
19 |
||||||||||||||
|
20 |
20 |
52 |
38 |
108 |
80 |
||||||||||
|
22 |
22 |
||||||||||||||
|
— |
24 |
||||||||||||||
|
— |
25 |
62 |
44 |
128 |
92 |
||||||||||
|
YL4 YLD4 |
40 |
5700 |
9500 |
18 |
18 |
42 |
30 |
100 |
80 |
3 (3) |
M8 |
88 |
64 |
2.47 |
0.0093 |
|
19 |
19 |
||||||||||||||
|
20 |
20 |
52 |
38 |
108 |
80 |
||||||||||
|
22 |
22 |
||||||||||||||
|
24 |
24 |
||||||||||||||
|
25 |
25 |
62 |
44 |
128 |
92 |
||||||||||
|
— |
28 |
||||||||||||||
|
YL5 YLD5 |
63 |
5500 |
9000 |
22 |
22 |
52 |
38 |
105 |
85 |
4 (4) |
M8 |
108 |
80 |
3.19 |
0.013 |
|
24 |
24 |
||||||||||||||
|
25 |
25 |
62 |
44 |
128 |
92 |
||||||||||
|
28 |
28 |
||||||||||||||
|
30 |
30 |
82 |
60 |
168 |
124 |
||||||||||
|
— |
32 |
||||||||||||||
|
YL6 YLD6 |
100 |
5200 |
8000 |
24 |
24 |
52 |
38 |
110 |
90 |
4 (4) |
M8 |
108 |
80 |
3.99 |
0.017 |
|
25 |
25 |
62 |
44 |
128 |
92 |
||||||||||
|
28 |
28 |
||||||||||||||
|
30 |
30 |
82 |
60 |
168 |
124 |
||||||||||
|
32 |
32 |
||||||||||||||
|
— |
35 |
||||||||||||||
|
YL7 YLD7 |
160 |
4800 |
7600 |
28 |
28 |
62 |
44 |
120 |
95 |
4 (3) |
M10 |
128 |
92 |
5.66 |
0.029 |
|
30 |
30 |
82 |
60 |
168 |
124 |
||||||||||
|
32 |
32 |
||||||||||||||
|
35 |
35 |
||||||||||||||
|
38 |
38 |
||||||||||||||
|
— |
40 |
112 |
82 |
228 |
172 |
||||||||||
|
YL8 YLD8 |
250 |
4300 |
7000 |
32 |
32 |
82 |
60 |
130 |
105 |
4 (3) |
M10 |
169 |
125 |
7.29 |
0.043 |
|
35 |
35 |
||||||||||||||
|
38 |
38 |
||||||||||||||
|
40 |
40 |
112 |
84 |
229 |
173 |
||||||||||
|
42 |
42 |
||||||||||||||
|
— |
45 |
||||||||||||||
|
YL9 YLD9 |
400 |
4100 |
6800 |
38 |
38 |
82 |
60 |
140 |
115 |
6 (3) |
M10 |
169 |
125 |
9.53 |
0.064 |
|
40 |
40 |
112 |
84 |
229 |
173 |
||||||||||
|
42 |
42 |
||||||||||||||
|
45 |
45 |
||||||||||||||
|
48 |
48 |
||||||||||||||
|
— |
50 |
||||||||||||||
|
YL10 YLD10 |
630 |
3600 |
6000 |
45 |
45 |
160 |
130 |
6 (4) |
M10 |
12.46 |
0.112 |
||||
|
48 |
48 |
||||||||||||||
|
50 |
50 |
||||||||||||||
|
55 |
55 |
||||||||||||||
|
— |
56 |
||||||||||||||
|
— |
60 |
142 |
107 |
289 |
219 |
||||||||||
|
YL11 YLD11 |
1000 |
3200 |
5300 |
50 |
50 |
112 |
84 |
180 |
150 |
8 (4) |
M12 |
229 |
173 |
17.97 |
0.205 |
|
55 |
55 |
||||||||||||||
|
56 |
56 |
||||||||||||||
|
60 |
60 |
142 |
107 |
289 |
219 |
||||||||||
|
63 |
63 |
||||||||||||||
|
65 |
65 |
||||||||||||||
|
— |
70 |
||||||||||||||
|
YL12 YLD12 |
1600 |
2900 |
4700 |
60 |
60 |
200 |
170 |
12 (6) |
M12 |
30.62 |
0.443 |
||||
|
63 |
63 |
||||||||||||||
|
65 |
65 |
||||||||||||||
|
70 |
70 |
||||||||||||||
|
71 |
71 |
||||||||||||||
|
75 |
75 |
||||||||||||||
|
— |
80 |
172 |
132 |
349 |
269 |
||||||||||
|
YL13 YLD13 |
2500 |
2600 |
4300 |
70 |
70 |
142 |
107 |
220 |
185 |
8 (6) |
M16 |
289 |
219 |
35.58 |
0.646 |
|
71 |
71 |
||||||||||||||
|
75 |
75 |
||||||||||||||
|
80 |
80 |
172 |
132 |
349 |
269 |
||||||||||
|
85 |
85 |
||||||||||||||
|
— |
90 |
||||||||||||||
|
YL14 YLD14 |
4000 |
2300 |
4800 |
80 |
80 |
172 |
132 |
250 |
215 |
12 (8) |
M16 |
350 |
270 |
57.13 |
1.353 |
|
85 |
85 |
||||||||||||||
|
90 |
90 |
||||||||||||||
|
95 |
95 |
||||||||||||||
|
100 |
100 |
212 |
167 |
430 |
340 |
||||||||||
|
— |
110 |
||||||||||||||
|
YL15 YLD15 |
6300 |
2000 |
3400 |
— |
90 |
172 |
132 |
290 |
250 |
12 (6) |
M20 |
350 |
270 |
89.59 |
2.845 |
|
— |
95 |
||||||||||||||
|
100 |
100 |
212 |
167 |
430 |
340 |
||||||||||
|
110 |
110 |
||||||||||||||
|
120 |
120 |
||||||||||||||
|
— |
125 |
||||||||||||||
|
YL16 YLD16 |
10000 |
1800 |
3000 |
— |
100 |
340 |
290 |
12 (6) |
M24 |
119.57 |
5.271 |
||||
|
— |
110 |
||||||||||||||
|
120 |
120 |
||||||||||||||
|
125 |
125 |
||||||||||||||
|
130 |
130 |
252 |
202 |
510 |
410 |
||||||||||
|
— |
140 |
||||||||||||||
|
YL17 YLD17 |
14000 |
1600 |
2600 |
— |
120 |
212 |
167 |
380 |
330 |
12 (6) |
M24 |
430 |
340 |
171.71 |
9.139 |
|
— |
125 |
||||||||||||||
|
130 |
130 |
252 |
202 |
510 |
410 |
||||||||||
|
140 |
140 |
||||||||||||||
|
150 |
150 |
||||||||||||||
|
— |
160 |
302 |
242 |
610 |
490 |
||||||||||
|
YL18 YLD18 |
20000 |
1400 |
2300 |
— |
140 |
252 |
202 |
420 |
360 |
12 (6) |
M30 |
510 |
410 |
(263.85) |
(17.883) |
|
— |
150 |
||||||||||||||
|
— |
160 |
302 |
242 |
610 |
490 |
||||||||||
|
— |
170 |
||||||||||||||
|
— |
180 |
||||||||||||||


