项目介绍
[尼龙齿式联轴器-基本型(NL)]
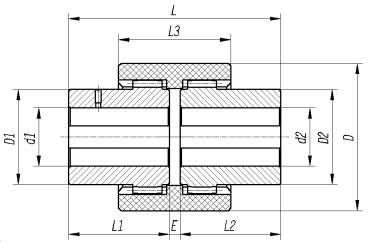
尼龙齿式联轴器,尼龙联轴器,尼龙齿,钢齿,鼓型齿联轴器,液压联轴器尼龙齿式
注:蓝色套为特殊材质,标准套为黄色或者白色。
l 双节式曲面齿联轴器适用于各种机械工程和液压领域,工程塑料和钢的配合,免维护,可以补偿轴向、径向、角向误差。
l 设计选型时,要作扭矩的计算,并考虑转矩变化,起动频繁,环境条件,合理的选择工况系数。
l 灰尘较大的场地,用C型结构较好。
l 装配时勿将杂物留在腔内。
l 装配好后,内齿圈应能用手自由转动。
l 小规格可采用螺钉拧紧。
l 特殊结构可以根据客户要求设计;
l 联轴器材质可以根据客户要求选定;
l图中尺寸可以根据客户要求制作;其它技术参数可以咨询邦克技术部;
|
型号 |
公称 扭矩 N·m |
许用 转速 rpm |
主要尺寸 |
最大尺寸偏差 |
转动 惯量 kg·cm2 |
重量kg |
||||||||
|
轴孔直径 d1、d2 |
轴孔长度L1、L2 |
L |
D |
D1 D2 |
E |
L3 |
轴向 mm |
径向 mm |
角向 a° |
|||||
|
NL1 |
40 |
6000 |
6 8 10 12 14 |
16 20 25 32 |
37 45 55 69 |
40 |
26 |
4 |
34 |
2 |
±0.3 |
1 |
0.25 |
0.85 |
|
NL2 |
100 |
6000 |
10 12 14 22 16 18 20 24 |
25 32 42 52 |
57 71 91 111 |
42 |
36 |
4 |
40 |
2 |
±0.4 |
1 |
0.92 |
1.7 |
|
NL3 |
160 |
6000 |
20 22 24 25 28 |
52 65 |
113 133 |
66 |
44 |
4 |
46 |
2 |
±0.4 |
1 |
3.1 |
2.6 |
|
NL4 |
250 |
6000 |
28 30 32 35 38 |
62 82 |
129 169 |
83 |
58 |
4 |
48 |
2 |
±0.4 |
1 |
8.69 |
3.6 |
|
|
|
|
|
|
|
|
|
|
|
|
|
|
|
|
|
NL5 |
315 |
5000 |
32 35 38 40 42 |
82 112 |
169 229 |
93 |
68 |
4 |
50 |
3 |
±0.4 |
2 |
14.28 |
5.5 |
|
NL6 |
400 |
5000 |
40 42 45 48 |
82 112 |
230 |
100 |
68 |
4 |
52 |
3 |
±0.4 |
2 |
18.34 |
6.9 |
|
NL7 |
630 |
3600 |
45 48 50 55 |
82 112 |
229 |
115 |
80 |
4 |
60 |
3 |
±0.6 |
2 |
56.5 |
9.8 |
|
NL8 |
1250 |
3600 |
48 50 55 60 63 65 |
112 142 |
229 289 |
140 |
96 |
4 |
72 |
3 |
±0.6 |
2 |
98.55 |
26.5 |
|
NL9 |
2000 |
2000 |
60 63 65 70 71 75 80 |
142 172 |
295 351 |
175 |
124 |
6 |
93 |
4 |
±0.7 |
2 |
370.5 |
37.6 |
|
NL10 |
3150 |
1800 |
70 71 75 80 85 90 95 100 |
142 172 212 |
292 352 432 |
220 |
157 |
8 |
110 |
4 |
±0.7 |
2 |
1156.8 |
55 |


