项目介绍
[弹性套柱销联轴器-变频专用型(BLG)]
膜片联轴器,弹性套柱销联轴器,变频改造,变频专用联轴器,变频电机联轴器弹性套柱销
l 组合弹性联轴器一端采用弹性套柱销的结构型式,另一端采用膜片连接,此种联轴器兼具弹性联轴器和挠性联轴器的特性,是专门为变频机组而研发的高性能新型联轴器。
l 组合弹性联轴器能充分吸收变频谐波冲击,改善机组转子动力学特性,可自动调心对中,吸收机组各向不对中,安装方便、快捷,内置关节轴承可承受联轴器自重,使运转震动更小。
l 组合弹性联轴器在变频改造工程上越来越受到用户的青睐。
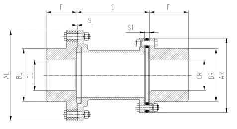
l 图中尺寸可以根据客户要求制作;其它技术参数可以咨询邦克技术部;
|
联轴器型号 |
功率/转速 (Kw/rpm) |
公称扭矩 (KNm) |
最大许用转速 (r/min) |
AL/AR (mm) |
BL/BR (mm) |
CL/CR max (mm) |
S/S1 (mm) |
E (mm) |
F (mm) |
L (mm) |
|
BLG6196 |
0.25 |
2.38 |
2850 |
250/196 |
165/133 |
110/95 |
3/14 |
160 |
100 |
360 |
|
BLG6210 |
0.30 |
2.94 |
2700 |
250/210 |
165/147 |
110/105 |
3/14 |
160 |
110 |
380 |
|
BLG6231 |
1.1 |
10.78 |
2600 |
320/231 |
190/168 |
130/120 |
3/14 |
160 |
125 |
410 |
|
BLG6247 |
1.29 |
12.6 |
2600 |
320/247 |
190/182 |
130/130 |
3/15 |
160 |
140 |
440 |
|
BLG6272 |
1.78 |
17.5 |
2400 |
400/272 |
240/196 |
170/140 |
3/16 |
175 |
150 |
475 |
|
BLG8302 |
2.35 |
23.4 |
2400 |
400/302 |
240/224 |
170/155 |
3/18 |
195 |
165 |
525 |
|
BLG8333 |
3.13 |
30.6 |
2200 |
400/333 |
240/238 |
170/170 |
3/21 |
220 |
180 |
580 |
|
BLG8363 |
4.7 |
46.1 |
2200 |
500/363 |
290/260 |
200/185 |
4/24 |
250 |
200 |
650 |
|
BLG8396 |
5.3 |
51.9 |
2000 |
500/396 |
290/280 |
200/200 |
4/26 |
270 |
215 |
700 |
|
BLG8425 |
6.2 |
60.7 |
1800 |
600/425 |
374/294 |
265/210 |
4/30 |
290 |
230 |
750 |
|
BLG8457 |
7.7 |
75.4 |
1800 |
600/457 |
374/322 |
265/230 |
4/30 |
310 |
240 |
790 |
|
BLG0496 |
11.8 |
115.6 |
1500 |
600/496 |
374/352 |
265/250 |
4/32 |
320 |
260 |
840 |
|
BLG0537 |
13.7 |
134.3 |
1500 |
600/537 |
374/374 |
265/265 |
4/36 |
350 |
280 |
910 |
|
BLG0580 |
18.9 |
185.22 |
1200 |
710/580 |
452/415 |
320/290 |
5/38 |
370 |
305 |
980 |
|
BLG0630 |
20.5 |
200.9 |
1200 |
710/630 |
452/452 |
320/320 |
5/40 |
400 |
330 |
1060 |


