项目介绍
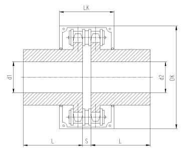
[滚子链联轴器-基本型(GL)]
滚子链结构,带罩壳,农机联轴器,KC滚子联轴器,链条联轴器链条联轴器
l 滚子链采用GB1243.1-83《传动用短节距精密滚子链》规定的链条;
l 罩壳的结构及尺寸,根据需要选定;
l 简单、装拆方便。反转时有空行程,不宜用于冲击载荷很大的逆向运动;
l 图中尺寸可以根据客户要求制作;其它技术参数可以咨询邦克技术部;
|
型号 |
公称 扭矩 N·m |
许用转速 rpm |
轴孔 直径 d1、d2 |
轴孔长度L |
链号 |
链条节距P |
齿数Z |
D |
S |
DK max |
LK max |
重量kg |
许用补偿量 |
||||
|
不装 罩壳 |
安装 罩壳 |
Y型 |
J1型 |
径向 |
轴向 |
角向 |
|||||||||||
|
L |
L1 |
mm |
mm |
mm |
° |
||||||||||||
|
GL1 |
40 |
1400 |
4500 |
16 |
42 |
— |
06B |
9.525 |
14 |
51.06 |
4.9 |
70 |
70 |
0.4 |
0.19 |
1.4 |
1 |
|
18 |
42 |
— |
|||||||||||||||
|
19 |
42 |
— |
|||||||||||||||
|
20 |
52 |
38 |
|||||||||||||||
|
GL2 |
63 |
1250 |
4500 |
19 |
42 |
— |
06B |
9.525 |
16 |
57.08 |
4.9 |
75 |
75 |
0.7 |
0.19 |
1.4 |
1 |
|
20 |
52 |
38 |
|||||||||||||||
|
22 |
52 |
38 |
|||||||||||||||
|
24 |
52 |
38 |
|||||||||||||||
|
GL3 |
100 |
1000 |
4000 |
20 |
52 |
38 |
08B |
12.7 |
14 |
68.88 |
6.7 |
85 |
80 |
1.1 |
0.25 |
1.9 |
1 |
|
22 |
52 |
38 |
|||||||||||||||
|
24 |
52 |
38 |
|||||||||||||||
|
25 |
60 |
44 |
|||||||||||||||
|
GL4 |
160 |
1000 |
4000 |
24 |
52 |
— |
08B |
12.7 |
16 |
76.91 |
6.7 |
95 |
88 |
1.8 |
0.25 |
1.9 |
1 |
|
25 |
62 |
44 |
|||||||||||||||
|
28 |
62 |
44 |
|||||||||||||||
|
30 |
82 |
60 |
|||||||||||||||
|
32 |
82 |
60 |
|||||||||||||||
|
GL5 |
250 |
800 |
3150 |
28 |
62 |
— |
10A |
15.875 |
16 |
94.46 |
9.2 |
112 |
100 |
3.2 |
0.32 |
2.3 |
1 |
|
30 |
82 |
60 |
|||||||||||||||
|
32 |
82 |
60 |
|||||||||||||||
|
35 |
82 |
60 |
|||||||||||||||
|
38 |
82 |
60 |
|||||||||||||||
|
40 |
112 |
84 |
|||||||||||||||
|
GL6 |
400 |
630 |
2500 |
32 |
82 |
60 |
10A |
15.875 |
20 |
116.57 |
9.2 |
140 |
105 |
5 |
0.32 |
2.3 |
1 |
|
35 |
82 |
60 |
|||||||||||||||
|
38 |
82 |
60 |
|||||||||||||||
|
40 |
112 |
84 |
|||||||||||||||
|
42 |
112 |
84 |
|||||||||||||||
|
45 |
112 |
84 |
|||||||||||||||
|
48 |
112 |
84 |
|||||||||||||||
|
50 |
112 |
84 |
|||||||||||||||
|
GL7 |
630 |
630 |
2500 |
40 |
112 |
84 |
12A |
19.05 |
18 |
137.78 |
10.9 |
150 |
122 |
7.4 |
0.38 |
2.8 |
1 |
|
42 |
112 |
84 |
|||||||||||||||
|
45 |
112 |
84 |
|||||||||||||||
|
48 |
112 |
84 |
|||||||||||||||
|
50 |
112 |
84 |
|||||||||||||||
|
55 |
112 |
84 |
|||||||||||||||
|
60 |
142 |
107 |
|||||||||||||||
|
GL8 |
1000 |
500 |
2240 |
45 |
112 |
84 |
16A |
25.4 |
16 |
154.33 |
14.3 |
180 |
135 |
11.1 |
0.5 |
3.8 |
1 |
|
48 |
112 |
84 |
|||||||||||||||
|
50 |
112 |
84 |
|||||||||||||||
|
55 |
112 |
84 |
|||||||||||||||
|
60 |
142 |
107 |
|||||||||||||||
|
65 |
142 |
107 |
|||||||||||||||
|
70 |
142 |
107 |
|||||||||||||||
|
GL9 |
1600 |
400 |
2000 |
50 |
112 |
84 |
16A |
25.4 |
20 |
186.5 |
14.3 |
215 |
145 |
20 |
0.5 |
3.8 |
1 |
|
55 |
112 |
84 |
|||||||||||||||
|
60 |
142 |
107 |
|||||||||||||||
|
65 |
142 |
107 |
|||||||||||||||
|
70 |
142 |
107 |
|||||||||||||||
|
75 |
142 |
107 |
|||||||||||||||
|
80 |
172 |
132 |
|||||||||||||||
|
GL10 |
2500 |
315 |
1600 |
60 |
142 |
107 |
20A |
31.75 |
18 |
213.02 |
17.8 |
245 |
165 |
26.1 |
0.63 |
4.7 |
1 |
|
65 |
142 |
107 |
|||||||||||||||
|
70 |
142 |
107 |
|||||||||||||||
|
75 |
142 |
107 |
|||||||||||||||
|
80 |
172 |
132 |
|||||||||||||||
|
85 |
172 |
132 |
|||||||||||||||
|
90 |
172 |
132 |
|||||||||||||||
|
GL11 |
4000 |
250 |
1500 |
75 |
142 |
107 |
24A |
38.1 |
16 |
231.49 |
21.5 |
270 |
195 |
39.2 |
0.76 |
5.7 |
1 |
|
80 |
172 |
132 |
|||||||||||||||
|
85 |
172 |
132 |
|||||||||||||||
|
90 |
172 |
132 |
|||||||||||||||
|
95 |
172 |
132 |
|||||||||||||||
|
100 |
212 |
167 |
|||||||||||||||
|
GL12 |
6300 |
250 |
1250 |
85 |
172 |
132 |
28A |
44.45 |
16 |
270.08 |
24.9 |
310 |
205 |
59.4 |
0.88 |
6.6 |
1 |
|
90 |
172 |
132 |
|||||||||||||||
|
95 |
172 |
132 |
|||||||||||||||
|
100 |
212 |
167 |
|||||||||||||||
|
110 |
212 |
167 |
|||||||||||||||
|
120 |
212 |
167 |
|||||||||||||||
|
GL13 |
10000 |
200 |
1120 |
100 |
212 |
167 |
32A |
50.8 |
18 |
340.8 |
28.6 |
380 |
230 |
86.5 |
1 |
7.6 |
1 |
|
110 |
212 |
167 |
|||||||||||||||
|
120 |
212 |
167 |
|||||||||||||||
|
125 |
212 |
167 |
|||||||||||||||
|
130 |
252 |
202 |
|||||||||||||||
|
140 |
252 |
202 |
|||||||||||||||
|
GL14 |
16000 |
200 |
1000 |
120 |
212 |
167 |
32A |
50.8 |
22 |
405.22 |
28.6 |
450 |
250 |
150.8 |
1 |
7.6 |
1 |
|
125 |
212 |
167 |
|||||||||||||||
|
130 |
252 |
202 |
|||||||||||||||
|
140 |
252 |
202 |
|||||||||||||||
|
150 |
252 |
202 |
|||||||||||||||
|
160 |
302 |
242 |
|||||||||||||||
|
GL15 |
25000 |
200 |
900 |
140 |
252 |
202 |
40A |
63.5 |
20 |
466.25 |
35.6 |
510 |
285 |
234.4 |
1.27 |
9.5 |
1 |
|
150 |
252 |
202 |
|||||||||||||||
|
160 |
302 |
242 |
|||||||||||||||
|
170 |
302 |
242 |
|||||||||||||||
|
180 |
302 |
242 |
|||||||||||||||
|
190 |
352 |
282 |
|||||||||||||||


