项目介绍
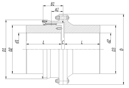
[鼓形齿联轴器-单侧齿型(GICLZ)]
鼓形齿联轴器,联轴器,挠性联轴器,吸收能力强,刚性大,鼓形齿式鼓形齿联轴器
|
型号 |
额定 转矩 kN·m |
许用 转速 rpm |
轴孔 直径 d1、d2、d3 |
轴孔 长度L |
D |
D1 |
D2 |
D3 |
B1 |
C |
转动 惯量 kg·m2 |
重量kg |
|
Y |
||||||||||||
|
GⅠCLZ1 |
0.8 |
7100 |
16,18,19 |
42 |
125 |
95 |
60 |
80 |
57 |
24 |
0.0084 |
5.4 |
|
20,22,24 |
52 |
14 |
||||||||||
|
25,28 |
62 |
6.5 |
||||||||||
|
30,32,35,38 |
82 |
|||||||||||
|
40*,42*,45*,48*,50* |
112 |
|||||||||||
|
GⅠCLZ2 |
1.4 |
6300 |
25,28 |
62 |
145 |
120 |
75 |
95 |
67 |
16 |
0.018 |
9.2 |
|
30,32,35,38 |
82 |
8 |
||||||||||
|
40,42,45,48,50*,55*,56* |
112 |
|||||||||||
|
60* |
142 |
|||||||||||
|
GⅠCLZ3 |
2.8 |
5900 |
30,32,35,38 |
82 |
170 |
140 |
95 |
115 |
77 |
7 |
0.0427 |
16.4 |
|
40,42,45,48,50,55,56 |
112 |
|||||||||||
|
60,63*,65*,70* |
142 |
|||||||||||
|
GⅠCLZ4 |
5 |
5400 |
32,35,38 |
82 |
195 |
165 |
115 |
130 |
89 |
19 |
0.076 |
22.7 |
|
40,42,45,48,50,55,56 |
112 |
8.5 |
||||||||||
|
60,63,65,70,71*,75* |
142 |
|||||||||||
|
80* |
172 |
|||||||||||
|
GⅠCLZ5 |
8 |
5000 |
40,42,45,48,50,55,56 |
112 |
225 |
183 |
130 |
150 |
99 |
9.5 |
0.0149 |
36.2 |
|
60,63,65,70,71,75 |
142 |
|||||||||||
|
80,85*,90* |
172 |
|||||||||||
|
GⅠCLZ6 |
11.2 |
4800 |
48,50,55,56 |
112 |
240 |
200 |
145 |
170 |
109 |
11.5 |
0.24 |
46.2 |
|
60,63,65,70,71,75 |
142 |
9.5 |
||||||||||
|
80,85,90,95* |
172 |
|||||||||||
|
100* |
212 |
|||||||||||
|
GⅠCLZ7 |
15 |
4500 |
60,63,65,70,71,75 |
142 |
260 |
230 |
160 |
195 |
122 |
10.5 |
0.43 |
68.4 |
|
80,85,90,95 |
172 |
|||||||||||
|
100,110*,120* |
212 |
|||||||||||
|
GⅠCLZ8 |
21.2 |
4000 |
65,70,71,75 |
142 |
280 |
245 |
175 |
210 |
132 |
12 |
0.61 |
81.1 |
|
80,85,90,95 |
172 |
|||||||||||
|
100,110,120* |
212 |
|||||||||||
|
130* |
252 |
|||||||||||
|
GⅠCLZ9 |
26.5 |
3500 |
70,71,75 |
142 |
315 |
270 |
200 |
225 |
142 |
18 |
0.94 |
100.1 |
|
80,85,90,95 |
172 |
13 |
||||||||||
|
100,110,120,125 |
212 |
|||||||||||
|
130*,140* |
252 |
|||||||||||
|
GⅠCLZ10 |
42.5 |
3200 |
80,85,90,95 |
172 |
345 |
300 |
220 |
250 |
165 |
14 |
1.67 |
147.1 |
|
100,110,120,125 |
212 |
|||||||||||
|
130,140,150* |
252 |
|||||||||||
|
160* |
302 |
|||||||||||
|
GⅠCLZ11 |
60 |
3000 |
100,110,120 |
212 |
380 |
330 |
260 |
285 |
180 |
14 |
2.98 |
206.3 |
|
130,140,150 |
252 |
|||||||||||
|
160,170*,180* |
302 |
|||||||||||
|
GⅠCLZ12 |
80 |
2600 |
120 |
212 |
440 |
380 |
290 |
325 |
208 |
14 |
5.31 |
284.5 |
|
130,140,150 |
252 |
|||||||||||
|
160,170,180 |
302 |
|||||||||||
|
190*,200* |
352 |
|||||||||||
|
GⅠCLZ13 |
112 |
2300 |
140,150 |
252 |
480 |
420 |
320 |
360 |
238 |
15 |
9.26 |
402 |
|
160,170,180 |
302 |
|||||||||||
|
190,200,220* |
352 |
|||||||||||
|
GⅠCLZ14 |
160 |
2100 |
160,170,180 |
302 |
520 |
465 |
360 |
420 |
266 |
16 |
15.92 |
582.2 |
|
190,200,220 |
352 |
|||||||||||
|
240*,250* |
410 |
|
型号 |
额定 转矩 kN·m |
许用 转速 rpm |
轴孔 直径 d1、d2、d3 |
轴孔 长度L |
D |
D1 |
D2 |
D3 |
B1 |
C |
转动 惯量 kg·m2 |
重量kg |
|
Y |
||||||||||||
|
GⅠCLZ15 |
224 |
1900 |
190,200,220 |
Y |
580 |
510 |
400 |
450 |
278 |
17 |
25.78 |
778.2 |
|
240,250,260* |
410 |
|||||||||||
|
280* |
470 |
|||||||||||
|
GⅠCLZ16 |
355 |
1600 |
200,220 |
352 |
680 |
595 |
465 |
500 |
320 |
16.5 |
16.89 |
1071 |
|
240,250,260 |
410 |
15.5 |
||||||||||
|
280,300*,320* |
470 |
|||||||||||
|
GⅠCLZ17 |
400 |
1500 |
220 |
352 |
720 |
645 |
495 |
530 |
336 |
17 |
60.59 |
1210 |
|
240,250,260 |
410 |
|||||||||||
|
280,300,320* |
470 |
|||||||||||
|
GⅠCLZ18 |
500 |
1400 |
240,250,260 |
410 |
775 |
675 |
520 |
540 |
351 |
16.5 |
81.75 |
1475 |
|
280,300,320 |
470 |
|||||||||||
|
340* |
550 |
|||||||||||
|
GⅠCLZ19 |
630 |
1300 |
260 |
410 |
815 |
715 |
560 |
580 |
372 |
17 |
101.57 |
1603 |
|
280,300,320 |
470 |
|||||||||||
|
340,360* |
550 |
|||||||||||
|
GⅠCLZ20 |
710 |
1200 |
280,300,320 |
470 |
855 |
755 |
585 |
600 |
393 |
20 |
140.03 |
2033 |
|
340,360,380* |
550 |
|||||||||||
|
GⅠCLZ21 |
900 |
1100 |
300,320 |
470 |
915 |
795 |
620 |
640 |
404 |
20 |
183.49 |
2385 |
|
340,360,380 |
550 |
|||||||||||
|
400* |
650 |
|||||||||||
|
GⅠCLZ22 |
950 |
950 |
340,360,380 |
550 |
960 |
840 |
665 |
680 |
415 |
20 |
235.04 |
2452 |
|
400,420* |
650 |
|||||||||||
|
GⅠCLZ23 |
1120 |
900 |
360,380 |
550 |
1010 |
890 |
710 |
720 |
435 |
20 |
323.16 |
3332 |
|
400,420,450* |
650 |
|||||||||||
|
GⅠCLZ24 |
1250 |
875 |
380 |
550 |
1050 |
925 |
730 |
760 |
445 |
22 |
387.97 |
3639 |
|
400,420,450,480* |
650 |
|||||||||||
|
GⅠCLZ25 |
1400 |
850 |
400,420,450,480,500* |
650 |
1120 |
970 |
770 |
800 |
465 |
22 |
485.96 |
4073 |
|
GⅠCLZ26 |
1600 |
825 |
420,450,480,500,530* |
650 |
1160 |
990 |
800 |
850 |
475 |
22 |
573.64 |
4527 |
|
GⅠCLZ27 |
1800 |
800 |
450,480,500 |
650 |
1210 |
1060 |
850 |
900 |
479 |
22 |
789.74 |
5485 |
|
530,560* |
800 |
|||||||||||
|
GⅠCLZ28 |
2000 |
770 |
480,500 |
650 |
1250 |
1080 |
890 |
960 |
517 |
28 |
960.26 |
6050 |
|
530,560,600* |
800 |
|||||||||||
|
GⅠCLZ29 |
2800 |
725 |
500 |
650 |
1340 |
1200 |
960 |
1010 |
517 |
28 |
1268.98 |
7090 |
|
530,560,600,630* |
800 |
|||||||||||
|
GⅠCLZ30 |
3200 |
700 |
560,600,630* |
800 |
1390 |
1240 |
1005 |
1070 |
525 |
28 |
1822.02 |
9264 |
|
670* |
900 |
注:⑴联轴器质量和转动惯量是按轴孔最小直径计算的近似值。
⑵D2≥465mm,其密封圈采用圆形断面橡皮条粘接而成。
⑶表中标记“*”号的轴孔尺寸仅适用于半联轴器dz。
⑷允许角向补偿量1°30'。
⑸允许径向补偿量△Y=0.0262A。


