项目介绍
[鼓形齿联轴器-中间节加长型(WGT)]
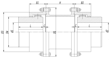
鼓形齿联轴器,中间轴式鼓形齿联轴器,米长鼓形齿联轴器,重型低转速鼓形齿联轴鼓形齿联轴器
I型
II型
|
型号 |
额定 转矩 N·m |
轴孔 直径 d1、d2 |
轴孔长度L |
D |
D1 |
D2 |
D3 |
D4 |
B |
B1 |
H min |
C |
转动惯量 kg·m2 |
重量kg |
||||
|
Y |
J1 |
Ⅰ |
Ⅱ |
Ⅰ |
Ⅱ |
Ⅰ |
Ⅱ |
|||||||||||
|
WGT1 |
710 |
12,14 |
32 |
— |
122 |
115 |
98 |
88 |
60 |
58 |
50 |
75 |
30 |
— |
0.008 |
0.0063 |
5.66 |
4.86 |
|
16,18,19 |
42 |
— |
20 |
14 |
||||||||||||||
|
20,22,24 |
52 |
— |
10 |
4 |
||||||||||||||
|
25,28 |
62 |
44 |
3 |
3 |
||||||||||||||
|
30,32,35,38 |
82 |
60 |
||||||||||||||||
|
40,42 |
112 |
84 |
||||||||||||||||
|
WGT2 |
1250 |
22,24 |
52 |
— |
150 |
145 |
118 |
108 |
77 |
68 |
52 |
80 |
20 |
4 |
0.021 |
0.016 |
9.78 |
7.48 |
|
25,28 |
62 |
— |
10 |
3 |
||||||||||||||
|
30,32,35,38 |
82 |
60 |
3 |
|||||||||||||||
|
40,42,45,48, 50,55,56 |
112 |
84 |
||||||||||||||||
|
WGT3 |
2500 |
22,24 |
52 |
— |
170 |
165 |
140 |
125 |
90 |
80 |
54 |
80 |
33 |
7 |
0.047 |
0.033 |
16.7 |
12.2 |
|
25,28 |
62 |
— |
23 |
3 |
||||||||||||||
|
30,32,35,38 |
82 |
60 |
3 |
|||||||||||||||
|
40,42,45,48, 50,55,56 |
112 |
84 |
||||||||||||||||
|
60,63 |
142 |
107 |
||||||||||||||||
|
WGT4 |
4500 |
30,32,35,38 |
82 |
— |
200 |
195 |
160 |
145 |
112 |
90 |
58 |
100 |
13 |
3 |
0.098 |
0.073 |
25.6 |
19.6 |
|
40,42,45,48, 50,55,56 |
112 |
84 |
3 |
|||||||||||||||
|
60,63,65, 70,71,75 |
142 |
107 |
||||||||||||||||
|
80 |
172 |
132 |
||||||||||||||||
|
WGT5 |
7100 |
30,32,35,38 |
82 |
— |
225 |
215 |
180 |
168 |
128 |
100 |
63 |
100 |
23 |
3 |
0.175 |
0.126 |
35 |
26.1 |
|
40,42,45,48, 50,55,56 |
112 |
84 |
3 |
|||||||||||||||
|
60,63,65, 70,71,75 |
142 |
107 |
||||||||||||||||
|
80,85,90 |
172 |
132 |
||||||||||||||||
|
WGT6 |
10000 |
30,32,35,38 |
82 |
— |
245 |
230 |
200 |
185 |
145 |
112 |
67 |
100 |
35 |
5 |
0.295 |
0.213 |
51.6 |
38 |
|
40,42,45,48, 50,55,56 |
112 |
— |
5 |
|||||||||||||||
|
60,63,65, 70,71,75 |
142 |
107 |
||||||||||||||||
|
80,85,90,95 |
172 |
132 |
||||||||||||||||
|
100 |
212 |
167 |
||||||||||||||||
|
WGT7 |
14000 |
32,35,38 |
82 |
— |
272 |
265 |
230 |
210 |
160 |
122 |
74 |
120 |
45 |
5 |
0.53 |
0.35 |
68.6 |
45 |
|
40,42,45,48, 50,55,56 |
112 |
— |
15 |
|||||||||||||||
|
60,63,65, 70,71,75 |
142 |
107 |
5 |
|||||||||||||||
|
80,85,90,95 |
172 |
132 |
||||||||||||||||
|
100,110 |
212 |
167 |
||||||||||||||||
|
WGT8 |
20000 |
55,56 |
112 |
— |
290 |
272 |
245 |
225 |
176 |
136 |
81 |
120 |
29 |
5 |
0.71 |
0.46 |
79.5 |
55.8 |
|
60,63,65,70, 71,75 |
142 |
107 |
5 |
|||||||||||||||
|
80,85,90,95 |
172 |
132 |
||||||||||||||||
|
100,110, 120,125 |
212 |
167 |
||||||||||||||||
|
型号 |
额定 转矩 N·m |
轴孔 直径 d1、d2 |
轴孔长度L |
D |
D1 |
D2 |
D3 |
D4 |
B |
B1 |
H min |
C |
转动惯量 kg·m2 |
重量kg |
||||
|
Y |
Y |
Ⅰ |
Ⅱ |
Ⅰ |
Ⅱ |
Ⅰ |
Ⅱ |
|||||||||||
|
WGT9 |
25000 |
65,70,71,75 |
142 |
107 |
315 |
305 |
265 |
245 |
190 |
140 |
88 |
155 |
5 |
5 |
1.05 |
0.77 |
106.5 |
80.5 |
|
80,85,90,95 |
172 |
132 |
||||||||||||||||
|
100,110,120 125 |
212 |
167 |
||||||||||||||||
|
130,140 |
252 |
202 |
||||||||||||||||
|
WGT10 |
40000 |
75 |
142 |
— |
355 |
340 |
300 |
280 |
225 |
165 |
98 |
155 |
28 |
5 |
1.87 |
1.54 |
158.8 |
121.8 |
|
80,85,90,95 |
172 |
132 |
5 |
|||||||||||||||
|
100,110,120 125 |
212 |
167 |
||||||||||||||||
|
130,140,150 |
252 |
202 |
||||||||||||||||
|
160 |
302 |
242 |
||||||||||||||||
|
WGT11 |
56000 |
85,90,95 |
172 |
— |
412 |
385 |
345 |
325 |
256 |
180 |
112 |
175 |
15 |
8 |
3.71 |
2.82 |
216.6 |
169.6 |
|
110,110,120 125 |
212 |
167 |
8 |
|||||||||||||||
|
130,140,150 |
252 |
202 |
||||||||||||||||
|
160,170,180 |
302 |
242 |
||||||||||||||||
|
WGT12 |
80000 |
120,125 |
212 |
167 |
440 |
435 |
375 |
360 |
288 |
210 |
125 |
205 |
8 |
8 |
6.48 |
4.84 |
305.3 |
245.3 |
|
130,140,150 |
252 |
202 |
||||||||||||||||
|
160,170,180 |
302 |
242 |
||||||||||||||||
|
190,200 |
352 |
282 |
||||||||||||||||
|
WGT13 |
112000 |
140,150 |
252 |
202 |
490 |
480 |
425 |
400 |
320 |
235 |
136 |
205 |
8 |
8 |
10.58 |
7.9 |
394.5 |
313.5 |
|
160,170,180 |
302 |
242 |
||||||||||||||||
|
190,200,220 |
352 |
282 |
||||||||||||||||
|
WGT14 |
160000 |
160,170,180 |
302 |
242 |
545 |
540 |
462 |
440 |
362 |
265 |
158 |
240 |
10 |
10 |
17.72 |
13.78 |
529.5 |
430.5 |
|
190,200,220 |
352 |
282 |
||||||||||||||||
|
240,250,260 |
410 |
330 |
||||||||||||||||
|
WGT15 |
224000 |
160,170,180 |
302 |
242 |
580 |
— |
488 |
— |
400 |
280 |
— |
240 |
10 |
— |
25.25 |
— |
684.5 |
— |
|
190,200,220 |
352 |
282 |
||||||||||||||||
|
240,250,260 |
410 |
330 |
||||||||||||||||
|
280 |
470 |
380 |
||||||||||||||||
|
WGT16 |
280000 |
180 |
302 |
242 |
650 |
— |
560 |
— |
440 |
300 |
— |
240 |
12 |
— |
43.7 |
— |
948.2 |
— |
|
190,200,220 |
352 |
282 |
||||||||||||||||
|
240,250,260 |
410 |
330 |
||||||||||||||||
|
280,300 |
470 |
380 |
||||||||||||||||
|
WGT17 |
355000 |
200,220 |
352 |
282 |
690 |
— |
600 |
— |
460 |
325 |
— |
280 |
12 |
— |
57.37 |
— |
1059 |
— |
|
240,250,260 |
410 |
330 |
||||||||||||||||
|
280,300,320 |
470 |
380 |
||||||||||||||||
|
WGT18 |
450000 |
220 |
352 |
282 |
750 |
— |
650 |
— |
510 |
350 |
— |
280 |
12 |
— |
59.37 |
— |
1399 |
— |
|
240,250,260 |
410 |
330 |
||||||||||||||||
|
280,300,320 |
470 |
380 |
||||||||||||||||
|
340,360 |
550 |
450 |
||||||||||||||||
|
WGT19 |
560000 |
240,250,260 |
410 |
330 |
775 |
— |
690 |
— |
535 |
372 |
— |
350 |
12 |
— |
110.2 |
— |
1544 |
— |
|
280,300,320 |
470 |
380 |
||||||||||||||||
|
340,360,380 |
550 |
450 |
||||||||||||||||
|
WGT20 |
710000 |
260 |
410 |
330 |
825 |
— |
730 |
— |
580 |
392.5 |
— |
350 |
14 |
— |
166.1 |
— |
2099 |
— |
|
280,300,320 |
470 |
380 |
||||||||||||||||
|
340,360,380 |
550 |
450 |
||||||||||||||||
|
400 |
650 |
540 |
||||||||||||||||
|
WGT21 |
800000 |
280,300,320 |
470 |
380 |
925 |
— |
825 |
— |
620 |
405 |
— |
350 |
14 |
— |
242.7 |
— |
2482 |
— |
|
340,360,380 |
550 |
450 |
||||||||||||||||
|
400,420,440 |
650 |
540 |
||||||||||||||||
|
WGT22 |
900000 |
320 |
470 |
380 |
950 |
— |
850 |
— |
665 |
410 |
— |
400 |
14 |
— |
299.2 |
— |
2797 |
— |
|
340,360,380 |
550 |
450 |
||||||||||||||||
|
400,420,440 450,460 |
650 |
540 |
||||||||||||||||
|
WGT23 |
1000000 |
360,380 |
550 |
450 |
1030 |
— |
900 |
— |
710 |
440 |
— |
400 |
14 |
— |
388.8 |
— |
3183 |
— |
|
400,420,440 450,460,480 500 |
650 |
540 |
|
|
|
|
|
|
|
|
|
|
|
|
|
|
||
|
WGT24 |
1250000 |
380 |
550 |
450 |
1060 |
— |
925 |
— |
730 |
450 |
— |
400 |
16 |
— |
482 |
— |
3801 |
— |
|
400,420,440 450,460,480 500 |
650 |
540 |
||||||||||||||||
|
520 |
800 |
680 |
||||||||||||||||
注:1、质量与转动惯量是按最大轴孔直径的Y型轴孔计算的近似值,未计算中间套。
2、联轴器的许用转速见下页,应按照中间套的长度和重量验算临界转速。
|
联轴器型号 |
许用转速 r/min |
Hmin mm |
重量 kg |
转动惯量 kg·m2 |
中间套每加长10mm的重量kg |
中间套每加长10mm的转动惯量 kg·m2 |
||||
|
Ⅰ |
Ⅱ |
Ⅰ |
Ⅱ |
Ⅰ |
Ⅱ |
Ⅰ |
Ⅱ |
|||
|
WGT1 |
7500 |
75 |
1.58 |
1.47 |
0.0032 |
0.0028 |
0.088 |
0.08 |
0.00011 |
0.000088 |
|
WGT2 |
6700 |
80 |
2.68 |
2.4 |
0.082 |
0.0079 |
0.13 |
0.125 |
0.00022 |
0.00021 |
|
WGT3 |
6300 |
80 |
3.5 |
3.1 |
0.015 |
0.0136 |
0.16 |
0.16 |
0.00041 |
0.00038 |
|
WGT4 |
5600 |
100 |
5.2 |
5.2 |
0.032 |
0.031 |
0.2 |
0.19 |
0.0008 |
0.00071 |
|
WGT5 |
5300 |
100 |
6 |
5.8 |
0.048 |
0.042 |
0.23 |
0.22 |
0.0012 |
0.001 |
|
WGT6 |
5000 |
100 |
6.6 |
6.1 |
0.061 |
0.053 |
0.26 |
0.24 |
0.0017 |
0.0013 |
|
WGT7 |
4500 |
120 |
10.5 |
8.6 |
0.134 |
0.105 |
0.32 |
0.3 |
0.003 |
0.0027 |
|
WGT8 |
4250 |
120 |
11.5 |
9 |
0.164 |
0.117 |
0.32 |
0.3 |
0.003 |
0.0043 |
|
WGT9 |
4000 |
155 |
15.7 |
13.8 |
0.25 |
0.209 |
0.42 |
0.4 |
0.0045 |
0.006 |
|
WGT10 |
3500 |
155 |
22.2 |
15.3 |
0.46 |
0.294 |
0.46 |
0.45 |
0.0064 |
0.009 |
|
WGT11 |
3000 |
175 |
28.5 |
20.9 |
0.82 |
0.53 |
0.52 |
0.5 |
0.0091 |
0.014 |
|
WGT12 |
2800 |
205 |
37.3 |
30.8 |
1.21 |
0.81 |
0.71 |
0.7 |
0.015 |
0.023 |
|
WGT13 |
2500 |
205 |
46.4 |
39.4 |
1.94 |
1.56 |
0.83 |
0.8 |
0.024 |
0.035 |
|
WGT14 |
2300 |
240 |
66.4 |
52.2 |
3.49 |
2.62 |
0.96 |
0.95 |
0.037 |
— |
|
WGT15 |
2100 |
240 |
73.4 |
— |
4.42 |
— |
1.03 |
— |
0.044 |
— |
|
WGT16 |
1900 |
240 |
95.1 |
— |
6.88 |
— |
1.5 |
— |
0.072 |
— |
|
WGT17 |
1800 |
280 |
132.4 |
— |
10.78 |
— |
2.5 |
— |
0.16 |
— |
|
WGT18 |
1700 |
280 |
158.9 |
— |
15.62 |
— |
2.76 |
— |
0.22 |
— |
|
WGT19 |
1600 |
350 |
182.4 |
— |
19.3 |
— |
2.96 |
— |
0.27 |
— |
|
WGT20 |
1500 |
350 |
203.1 |
— |
24.7 |
— |
3.16 |
— |
0.32 |
— |
|
WGT21 |
1300 |
350 |
261.6 |
— |
38.1 |
— |
4.2 |
— |
0.5 |
— |
|
WGT22 |
950 |
400 |
304.6 |
— |
47.7 |
— |
4.47 |
— |
0.59 |
— |
|
WGT23 |
900 |
400 |
391.6 |
— |
70.9 |
— |
5.77 |
— |
0.88 |
— |
|
WGT24 |
850 |
400 |
412 |
— |
78 |
— |
6.07 |
— |
1.02 |
— |


